Датчик присутствия Theben LUXA 103 S360-101-12 DE-UP WH (1030053)
Описание функций
- Пассивный инфракрасный детектор присутствия, для установки на потолке в комплекте или скрытого монтажа с помощью съемных пружин /защитного колпачка и прилагаемой монтажной рамы
- 1 канал освещения (реле 230 В) и 1 канал присутствия (реле без потенциала для управления HVAC)
- Круговая зона обнаружения 360 °, Ø 12 м (113 м2 ) при высоте установки 3 м
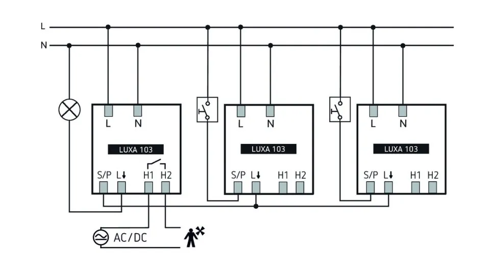
- Расширение зоны обнаружения за счет параллельного переключения, возможно параллельное подключение не более 8 детекторов
- Возможно подключение к сети с помощью настенного детектора theMura Slave
- Возможность подключения кнопки для ручного переключения
- Возможно как полностью, так и полуавтоматическое управление
- Измерение яркости в одном направлении (смешанное измерение освещенности)
- Функция обучения, импульсная функция, тестовая функция, функция освещения лестницы
- Готовность к работе немедленно благодаря заводским настройкам
-
Изменение значений и настроек возможно с помощью потенциометров и одного из этих дополнительных пультов дистанционного управления:
- Пользовательский пульт дистанционного управления «theSenda S» (опция)
- Пульт сервисных служб theSenda B (опция)
- Пульт сервисных служб theSenda P (опция)
- Ограничение возможной дальности обнаружения
- Также подходит для наружного применения, при изменении места установки дальность обнаружения уменьшается до Ø 8 м
Технические данные
| Рабочее напряжение | 230 В переменного тока |
| Частота | 50 Гц |
| Потребляемая мощность в режиме ожидания | ca. 0.5 W |
| Измерение освещенности | Смешанное измерение освещенности |
| Цвет | Белый |
| Коммутационный выход | Свет | Присутствие |
| Тип установки | Потолочный монтаж |
| Диапазон настройки яркости | 5 – 1000 лк |
| Угол обнаружения | 360° |
| Высота установки | 2,5 – 3,5 м |
| Задержка выключения света | 15 с - 30 мин |
| Задержка отключения присутствия | 10 с - 120 мин |
| Наличие задержки включения | 0 с – 10 мин |
| Нагрузка на лампу накаливания /галогенную лампу | 2300 W |
| Пусковой ток | макс. 500 А / 200 мкс |
| Светодиодная лампа 2-8 Вт | 400 W |
| Светодиодная лампа> 8 Вт | 400 W |
| Лампы | Лампы накаливания/галогенные лампы, люминесцентные лампы, Энергосберегающие лампы, светодиоды |
| Дистанционное управление | + |
| Температура окружающей среды | -25 °C ... 55 °C |
| Тип защиты | IP 54 (при установке) |
Зона обнаружения
| Высота установки (A) | Сидячие (ые) | По диагонали (T) | Направьте на (R) |
| 2,5 м | 13 м2 | 4 м | 78 м2 | 10 м | 28 м2 | 6 м |
| 3 м | 20 м2 | 5 м | 113 м2 | 12 м | 28 м2 | 6 м |
| 3,5 м | 20 м2 | 5 м | 78 м2 | 10 м | 28 м2 | 6 м |